产品快速通道
永元卧式三相普通马达

- 产品参数:
- 产品型号: AEEF
- 额定功率:1/4HP-60HP
- 电压:380V.220V
- 转速/极数:1410转
- 安装方式:卧式
详细参数
永元卧式三相普通马达特点:
1采用E级绝缘及高级导电材料,温升低,寿命长,性能优越
2外型轻巧,坚固耐用
3优越的设计,噪音低,运转安静
4 启动转矩大,惯性小,运转顺畅,省电效果较佳,马达强劲有力。
5特性合乎国家CNS及各项国际认证等标准。
6标准IEC公制尺寸,具有互换性,适合各界需要。
1、具有国际互换性:采用IEC制定之国际标准尺寸,具国际互换性。
2、特征优异:由于转部惯性小,加速转矩大。
3、振动、噪音小。
4、保养方便:采用高级油封轴承,不须添换润滑油脂,保养方便
5、小型号轻量:框号降低,体小量轻,节省空间、搬运安装容易。
6、E/B/F级绝缘材料:采用耐热、耐温、耐化学之B/F级绝缘材料,安全耐用,使用寿命长。
7、保护方式:IP54,防压、防水(溅)、符合国际标准更具安全保障
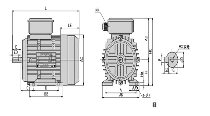
永元卧式三相普通马达详细图:







粤ICP备11012611号
