产品快速通道
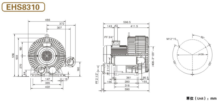
EHS8310

- 产品参数:
- 产品型号: EHS8310
- 额定功率:null
- 电压:null
- 风量:null
- 风压:null
- 转速/极数:null
- 安装方式:null
详细参数
双段鼓风机EHS8310电压:110V-220V-380V-415V-660V,50HZ/60HZ通用
功率范围:0.18~20KW;空气流量: 0.8m3/min~18.9m3/min;1000mmH2O~7000mmH2O;真
空吸附能力:吹吸双功能,具真空和排压两种功能,采用德国西门子技术,通过的气体无
水无油,具低噪音、高效率、免维护、高性能等特点;特殊叶片设计,压力高、风量大、
噪音低、寿命长。 2、特殊峋调节风门,风量控制稳定性高,操作容易。 3、样式种类齐
全。绝缘性能强,安装容易, 可靠性高,高压缩比,轴承运转温度低,无油无污染,保养容易,
外观优美,最高品质. 高压和高吸力的产生在于叶轮独特的设计。
旋涡气泵的叶轮边缘带有多个叶片,当叶轮旋转时,由于离心作用,两个叶片中的空气被
快速地往外缘方向运动,传转输能量,风压被快速叠加,便形成了高压或高力其速度得到
增加。当空气被风道重新导入叶轮后,将再次被加速。由于多个叶片传输能量,风压被快
速叠加,便形成了高压或高吸力。有专业的技术工程师为你解答!适用行业;燃烧降氧机
、卷烟滤嘴成型机、电镀槽液搅拌、雾化干燥机、水处理曝气、水产养殖、丝网印刷机、
照相制版机、注塑机、自动上料烘干机、液体灌装机、粉末灌装机、电焊设备、纸张运送
、干洗衣服、清洁用途、空气除尘、干瓶、气体传送、送料、收集、环保水处理、中央集
尘环境保护、水产养殖、丝网印刷、电镀、除尘、食品、包装 燃烧降氧机、卷烟滤嘴成
型机、电镀槽液搅拌、雾化干燥机





粤ICP备11012611号
