金旋体育最火权威网

招商加盟
服务
留言
联系方式

当前栏目名

您当前的位置:金旋体育最火权威网 > 产品中心 > 减速机展厅

硬齿面减速机JRTS系列

硬齿面减速机JRTS系列
产品参数:
产品型号: JRTS
额定功率:0.12~250KW
电压:null
转速/极数:null
减速比:6.8~11267
安装方式:null

详细参数

硬齿面减速机JRTS系列齿面为硬齿面,齿轮结构为斜齿轮。斜齿轮--蜗轮蜗杆减速电机。有时也叫硬齿面减速器也减速马达,有底脚安装,法兰安装等多种安装方式。硬齿面减速机JRTS系列为最常见的传动结构。

    硬齿面减速机JRTS系列设计方案:

  JRTS..D..:底脚安装斜齿轮--蜗轮蜗杆齿轮减速电机

  JRTSF..D..:法兰盘安装斜齿轮--蜗轮蜗杆减速电机

  JRTSAF..D..:B5法兰空心轴安装斜齿轮--蜗轮蜗杆齿轮减速电机

  JRTSHF..D..:B5法兰空心轴锁紧盘安装斜齿轮--蜗轮蜗杆齿轮减速电机

  JRTSA..D..:空心轴安装斜齿轮--蜗轮蜗杆齿轮减速电机

  JRTSAZ..D..:B14法兰空心轴安装斜齿轮--蜗轮蜗杆减速电机

  JRTSAZ..D..:B14法兰空心轴锁紧盘安装斜齿轮--蜗轮蜗杆齿轮减速电机

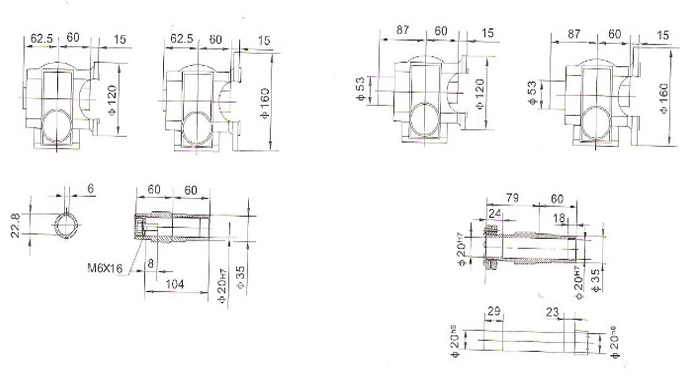
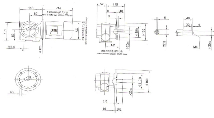
   JRTS斜齿轮蜗轮蜗杆减速电机底脚安装斜齿轮-蜗轮蜗杆齿轮减速电机。有双轴,单轴,出力法兰,入力法兰等。斜齿轮蜗轮蜗杆减速电机产品规格17187;传动比1328974;输入功率012200KW;输出转矩1462800N . M。共四大系列上千万种不同的规格、传动比、联接方式可供选用.

  硬齿面减速机JRTS系列使用说明:

1.1安装注意事项

  11.1 减速机须安装在平整坚固的底座上,底脚螺栓必须紧固、防震。

  1.1.2 原动机--减速机--工作机的各联接轴伸.安装后必须互相准确对准轴线。

 1.1.3 减速机输入端及输出端轴伸外径尺寸公差均按h6制作.与之相配的联轴器、皮带轮、链轮等传动件内孔须按合适的尺寸公差配制,避免装配过紧损坏轴承.装配过松影响正常动力传递。

  1.1.4 链轮、齿轮等传动件装上轴伸时.应尽量靠近轴承.以减少轴伸弯曲应力。

  1.1.5 WPD型减速机装配电机时,应在蜗杆头部内孔孔壁及键槽处涂抹黄油.避免装配过紧.防止轴孔日久生锈。

  1.1.6 订购使用各类WPD减速机时.若电机重量偏大.应设支撑装置。

1.2使用注意事项

  1.2.1 使用前应注惫检查减速机型式结构、中心距规格、传动比、拍入轴连接方式、输出轴结构、输入轴输出轴轴指向和回转方向等是否符合使用要求。

 1.2.2 按照样本上“油品润滑”中所规定的要求,注入合适的品种牌号润滑油。加油后,旋紧顶部的通气器,拔掉通气器上之小锥塞.减速机方可开始运转.必须选用合适牌号的润滑油.必须控制适宜的加油量。必须按规定要求及时换油.尤其要重视首次使用100小时后的更换新油。

  1.2.3 使用过程中发生不正常情况时.应及时停机检查,可参照“故障分析”表处理。(减速机的油温最高允许达到95.在此温度界限下.只要油温不再上升.可以放心使用)。

  硬齿面减速机JRTS系列详细图纸:

斜齿轮蜗轮蜗杆减速电机