金旋体育最火权威网

招商加盟
服务
留言
联系方式

当前栏目名

您当前的位置:金旋体育最火权威网 > 产品中心 > 小电机展厅

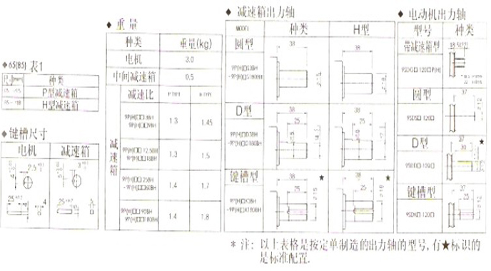
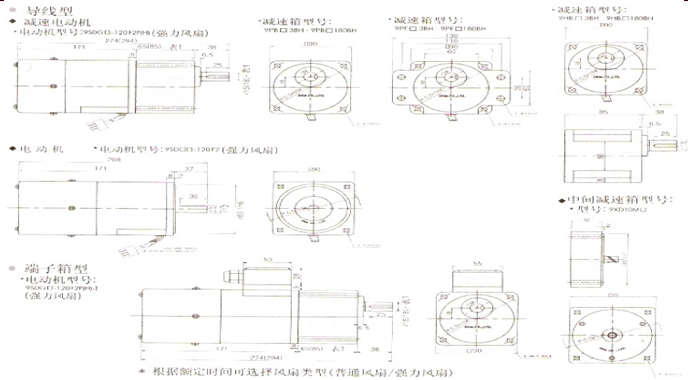
调速电机90W-120W

调速电机90W-120W
产品参数:
产品型号: 9SDG-90F2P
额定功率:6W-180W
电压:110V/220V
转速/极数:4极
安装方式:null

详细参数

  调速电机90W-120W

调速电机90W-120W有体积小,重量轻等特点,因此也称其为小电机,调速电机是利用改变电机的级数、电压、电流、频率等方法改变电机的转速,以使电机达到较高的使用性能的一种小型减速电机。

(1)输出电流和电压范围,它决定着电路能驱动多大功率的电机。

(2)效率,高的效率不仅意味着节省电源,也会减少驱动电路的发热。要提高电路的效率,可以从保证功率器件的开关工作状态和防止共态导通(H桥或推挽电路可能出现的一个问题,即两个功率器件同时导通使电源短路)入手。

3)对控制输入端的影响。功率电路对其输入端应有良好的信号隔离,防止有高电压大电流进入主控电路,这可以用高的输入阻抗或者光电耦合器实现隔离。

4)对电源的影响。共态导通可以引起电源电压的瞬间下降造成高频电源污染;大的电流可能导致地线电位浮动。

5)可靠性。电机驱动电路应该尽可能做到,无论加上何种控制信号,何种无源负载,电路都是安全的。

调速电机