产品快速通道
永元立式铝壳三相普通马达

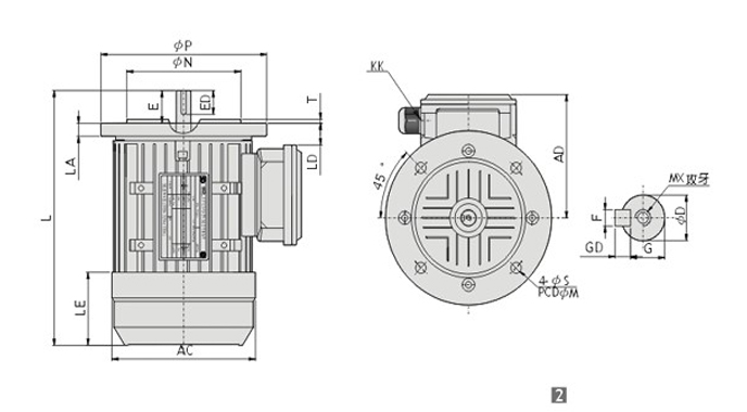
- 产品参数:
- 产品型号: AEVF
- 额定功率:1/4HP-60HP
- 电压:380V.220V
- 转速/极数:2级,4级,
- 安装方式:立式
详细参数
永元立式铝壳三相普通马达具國際互換性:採用IEC (International Electrotechnical Commission) 制定之國際標準尺寸 ,具國際互換性。
特性優異:由於轉部慣性小,加速轉矩大,起動、 停止時間短,對於起動、停止頻繁之機器可提高其工作效率。
振動、噪音小:機械結構設計完美,加工與組立精良,且經精密之平衡,幾無振動與噪音。
保養方便:採用高級油封軸承,不須添換潤滑油脂,保養方便。
小型輕量:框號降低、體小量輕、節省空間、搬運安裝容易,便於設計施工。
E/B/F級絕緣材料:採用耐熱、耐濕、耐化學之E/B/F級絕緣材料,安全耐用、壽命最長。
保護方式:保護方式為IP54,防塵、防水(濺),符合國際標準,更具安全保障。
榮獲肯定:通過國際品保認證ISO 9001,特性符合中國國家標準(CNS)、榮獲正字標記







粤ICP备11012611号
